PFC Controlled Power Supply Unit Repair
This repair is about those newer and more difficult P.F.C. controlled PS Units. Like the recent very helpful articles from Paris. (Especially the Posts after his recent article were very informative!). I had repaired the simple Power Supply Units with an easier TL494 controller in it before (like a 400 Watt ATX supply that had a bad Cap). But the Power Supply this article is about, took much more time to find the culprit.
The P.F.C. controlled Supply was a HP DPS-300AB-49A 300Watt Desktop Supply. Probably also known under other names like Delta. I couldn’t get it working and I thought I really had checked every component (at least all Semiconductors). One of the ICs was an (F)AN4800 controller with a TNY277 standby power switch. Because I had checked all semiconductors being fine I decided to replace both ICs. But that was no help either. Because after I replaced the AN4800 and TNY277 nothing had changed.
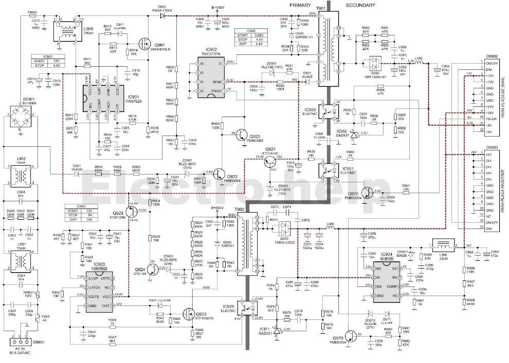
Finding the circuit of this Unit was not possible but I had found a lot of different schematics with a TNY277 in it. However finding a circuit with a (F)AN4800 controller in it (or with a pin compatible CM6800 controller) seemed impossible too. Therefore I decide to draw the circuit myself from the unit at hand.
Above schematic was the result I had drawn. It doesn’t look complete but it was enough for me to find the problem and fix the Unit. And this information now will also help me next time to analyse and find the problem more quickly.
Above Photo shows the inside view of this Unit. On the right the Primary Hot (DANGER! Do not touch!) side with the rectified AC 400-450V on the capacitor below. The Greatz Diode Bridge is in the top right under the Fan with a Cooler attached to it. In the middle between both vertical Alu Cooler Plates there are the 3 Optocouplers, all three Transformers, and the (F)AN4800 plus the TNY277 chips. In the top middle there is the Line filter with 2 four pole Coils and the 3 Line Filter Capacitors.
The Fuse on the left from previous Line Filter was still intact. And also the 450V reservoir Capacitor measured working fine after connecting to the 230VAC Power Line. I could measured the rectified HV DC voltage over its poles.
Next I will show all Photos I took to explain the component tests I had checked. And because I couldn’t find any defective Semiconductor on the Cooler Plates, neither primary nor secondary, I soldered them back into the Board. And as it turned out also this Power Supply was fixed by just replacing a very cheap component that prevented this further undamaged Unit from working.
And with the schematic I made it is easier to see how these Units operate. And why they fail without really being damaged at all! Following Photo shows the inside after removing the primary Cooler Plate with the 4 Semiconductors on it. And the Photo after that shows these Semiconductors.
Above a closer view on at the (F)AN4800 and the TNY277 chip plus the 3 optocouplers on the Primary side after the Primary Semiconductor Cooler Plate was removed.
Above view shows the Primary Cooler Plate with the 4 Semiconductors in Close Up. On the Left 2x 10N60C Mosfets. The Diode on the right of them is not easy to read “Withboard 40STVU CHN 031?” and the semiconductor at the right looks like a GEF 035 plus some also unreadable text. But that didn’t matter because they all checked out fine!
And there was also a vertical placed small Board at the secondary side of this Power Supply, with if I am correct, a LM339 circuit on it. And it is probably just the temperature measuring and speed controlling Board for the Fan. Therefore I didn’t think this Board had any doing in the problem of the Supply. And I had not checked any of the parts of this Board. (See first Photo after this text).
To end this successful repair, here also follow the Photos that explain the cause of the problem why the Unit failed to work. Which was also the weak link in the chain being this PSU circuit.
Another Power Supply Fixed at no cost at all !!
Thanks to the recent 5V standby circuit Tip from Paris from Greece, more of these modern P.F.C. controlled Supplies are likely easily Fixable. Checking the (F)AN4800 or the CM6800 controller Datasheet didn’t help, but checking the TNY277 explained were to look further.
Please click on the schematic to enlarge it
And to give some technical background on this repair I add above schematic with the TNY277 circuit in it.
Good luck with repairing those newer P.F.C. (improved Cos Phi Energy saver) SMP Supplies!
Albert van Bemmelen, Weert, The Netherlands.
Please give a support by clicking on the social buttons below. Your feedback on the post is welcome. Please leave it in the comments.
P.S- If you enjoyed reading this, click here to subscribe to my blog (free subscription). That way, you’ll never miss a post. You can also forward this website link to your friends and colleagues-thanks!
Note: You can read his previous repair article in the below link:
https://www.jestineyong.com/philips-az1005-cd-radio-cassette-recorder-repair/
(113)Dislikes
(3)






Anwar Shiekh
May 9, 2016 at 8:45 am
HP have some rather strange PC power supplies that are 12V only; I'm guessing this was just a fad, as they don't seem easy to find. I have two HP Compaq 8000 Elite Convertible Minitowers with such supplies (320W)
The hard drive and optical drives are powered off the mother board.
Albert van Bemmelen
May 9, 2016 at 4:58 pm
I know HP and Compaq Computers now are one. I probably do not have many HP Power Supplies but a Model NO.: ATX-1523F needs repair. It is a Bestec 150W small PS Unit probably from a HP Desktop because it has a serial number that reads HP P/N: *5185-2974*. Sadly repairing it will be very difficult because various components are burnt and blackened. And so completely unrecognizable too. So I will try to find a Schematic or useful info for it before repair is possible.
Humberto
May 11, 2016 at 1:52 am
HP uses BESTEC SMPS in many PCs they manufacture.
Albert van Bemmelen
May 14, 2016 at 11:56 pm
Question Humberto, you haven't got fortuitously such an identical
BESTEC HP laying around at home? I am trying to repair mine and
found a big (Fairchild/Samsung) SSH7N90A n-channel 900V 7A RDSon 1.8
Ohm 240 Watt shorted between Drain and Source Mosfet. And a bad D3
Diode with a bad R105 on the solder Board side. It would be nice to
know what value R105 or D3 will be.
Parasuraman S
May 9, 2016 at 10:46 am
Vow! You have made in-depth study of the circuit and provided a very difficult diagram drawn by hand, and gone to such an extent in sharing all that you can on this great repair article! A splendid effort indeed! The varieties of crystal clear photos also are added 'feathers' to the cap! You have made me an ardent 'FAN' of your articles and if you get an extra 'cool' there because of this, you can blame me! Best regards and thanks!
Albert van Bemmelen
May 9, 2016 at 4:23 pm
Thank you dear Parasuraman S. I also again did check if I could read
the 2 Semiconductors on the right of the primary Cooler Plate. The most
right 3 pin Triode was also a 20N60C3 type. And the 2 pin Diode on the
left from (third position on the Cooler Plate) read ST THBROhD G40 ST VU.
But if it is maybe a 30A 600V Diode I couldn't confirm. Because no
matching Datasheet was found. Finding Service Manuals or Component Specs
is always a bit of a problem.
beh
May 9, 2016 at 12:25 pm
Albert: your articles shows how much you have talent in electronics
that is why i want to call you electronic artiste .and thanks..beh
Albert van Bemmelen
May 9, 2016 at 4:36 pm
Thank you Beh for your much appreciated compliment. It would be nice if
it would be recognized by the Jobhunters and the Local Authorities who put people to work. Instead they only put unemployed people on the most stupid
jobs, like packing in cookies for a whole year. And I won't mention the
other Lame Jobs I previously had to fulfill. A Job has to be something
that you can do with your heart. Like our Great Electronics Hobby!
Albert van Bemmelen
May 10, 2016 at 4:31 am
By-the-way: The Tester used in this article was the SC2005 Elektor
Semiconductor tester (From the year 2005). If you look at the Photos
I took from the Semiconductor tests you'll notice that I used 3 different colored krokodil Clips, Red Green and White. And those represent the order of the on the LCD Displayed pinnames. Being
here D(rain)-G(ate)-S(ource). Which means that D is RED which comes first, and so it represents the middle pin of the Mosfets. Because
it is attached to the middle pin. Which means that Green which represents the middle Pin given on the LCD which is Gate. So the
Gate is the Pin on the Left which it is attached to. Etcetera.
Normally to keep it simple and to make no mistakes I attach the
Clips beginning from Left RED, middle Green, to finally right pin
White. So it also resembles the exact LCD presentation order.
beh
May 10, 2016 at 11:14 am
Albert
goldsmith knows the price of gold
i know your value and forget others.
Muhammed
May 9, 2016 at 6:08 pm
Indeed the writer has in depth electronics knowledge, and I thank him for going as far as drawing the circuit by hand and share it. However if he added arrow pointers on the photos it would be of great help to others
Albert van Bemmelen
May 9, 2016 at 8:28 pm
Thank you for comment dear Muhammed. I heard that question often before.
But when I would have added those arrow pointers, you still could have
asked me: where are they pointing too? But do not be afraid dear Muhammed.
You do not need any arrow pointers. If you read the explaining text that surround the Photos you certainly will understand how to repair these
special PFC (Power Factor Corrected) Power Supply Units. And remember
that there are no arrow pointers in real life defect Power Supplies when
you try to repair them either. But I placed an arrow pointer especially
for you on the hand drawn schematic.
Cheers (;-)
Robert Calk
May 9, 2016 at 11:49 pm
Thanks Albert for another great article.
Albert van Bemmelen
May 10, 2016 at 9:09 pm
Thanks Robert!
2 other articles are on the way. So I hope you will enjoy those too.
Hicham
May 10, 2016 at 4:02 am
Thank you Albert, we are really proud of you and electronic skills it gives us more power to master well our repair field.
a question Dear Albert, i have a welding generator CEA brand rainbow 200 hf, when i changes the original igbts it get explosed it is GP50B60PD1?
then may i change this igbt with GW60V60DF?
thanks in advance for your support.
Albert van Bemmelen
May 10, 2016 at 3:38 pm
Thank you dear Hicham. And good question. I checked the IRGP50B60PD
datasheet. Het is a N-channel SMPS IGBT for 150 KHz switching frequency
and a ultrafast soft recovery Diode is included. The STGN60V60DF should
be a better IGBT replacement. But of course only if the cause of the
exploding GP50B60PD was the internally collapsing IGBT itself? I guess
that if you couldn´t find any other reason for your Welding Machine to
break down, and you already replaced the new IGBT with success you should
be fine.
suranga bandara, Suranga Electronics
May 10, 2016 at 3:55 pm
Hi. Mr-Albert van,
Great Article and Good Work.
Thanks for sharing.
paul
May 10, 2016 at 6:03 pm
Well done for finding the fault.
Sorry to be critical, but you only show a photo of a resistor as the explanation.
Was the resistor open circuit or giving the wrong resistance? Where in the circuit is this resistor and how did its failure prevent circuit from working?
That would be very interesting to know.
Thanks,
paul
Albert van Bemmelen
May 10, 2016 at 9:31 pm
Hi Paul, if you look at the quick made hand drawing I did, you´ll see a
resistor marked R910 (notice also the black pointing arrow) it is coming
from the plus pole from the rectified Voltage on the Big Buffer E-Cap.
And going to Transformer pin 1 that is also attached to the standby
circuit of the TNY277. R910 was a completely open resistor. Why the about
DC 400 Volt couldn´t reach the pin 1-3 Transformer coil. And why the
complete Power unit was defect. Without that coil Voltage there won´t be
any Voltage on pin 4 of the TNY277 either coming from pin 3 of the
Transformer coil, and the TNY277 will go in Standby mode or be inactif.
If you want to know how it works you better study this Datasheet: http://www.elenota.pl/datasheet-pdf/162047/Power-Integrations/TNY277
That is all to know I think.
Humberto
May 11, 2016 at 2:07 am
Hi Albert, you have done a deep schematic, good explanations (as usual), good photos and at the end:an excellent job. By the way, many readers have liked your article, so Congratulations. Albert.
Albert van Bemmelen
May 11, 2016 at 4:11 pm
Hi Humberto.
It is almost unbelievable that it is often only one component
that prevents the complete SMPS unit from working. Which is also the
case in the ATX 410 Watt Power Supply repair that soon will follow.
PS: After we have written each other a couple of times, I recently also
added Paris to my Email contacts. It is very nice that, thanks to
Jestine, whatever distances we live apart, we always can write with one
another. Without even leaving our homes. The electronic future brings
nice surprises.
Paris Azis
May 11, 2016 at 2:44 am
Well done dear Albert! I am glad you finally fixed it.
Best Regards
Albert van Bemmelen
May 11, 2016 at 4:20 pm
Thanks Paris. As said you gave me the solution were to look. And it is
almost unthinkable that it again was only one single cheap component that
was the cause. I missed that single 4.7 Ohm Resistor thinking it was just
a high Ohmic value (about 1 MOhm or higher). Because it was hidden in a
black shrink socket I couldn't see its actual value. But after your tip
and drawing the Schematic it was solved in no time!
Yogesh Panchal
May 13, 2016 at 3:25 pm
Albert,
Thanks for sharing your experience
Oliver
July 22, 2018 at 6:02 pm
Sir did you just remove the resistor and did not replace it?
Albert van Bemmelen
December 21, 2018 at 7:25 pm
I replaced it of course! Else the power supply would still not work.