Don't Miss
Sewing Machine Repair
By Jestine Yong on September 10, 2010
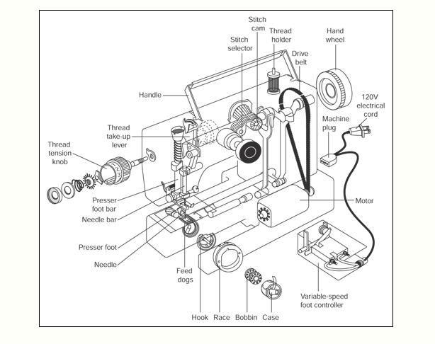
This kind of repair field is a bit unique because so far i have not heard or know any friend that repair sewing machine. Most of my repair friends are in the consumer electronics repair like TV, Monitor, Audio and etc. If you would like to add an additional equipment repair in your business then i suggest that you check out the website by clicking on the photo. It is an ebook written by Tony Asef a professional sewing machine repairer. One of the famous sewing machine brand that i heard of was Janome.
Likes
(3)Dislikes
(0)
(3)Dislikes
(0)






Waleed
September 11, 2010 at 2:51 pm
there are a lot of people in my home town that repairs sewing machines. sometimes they come to my shop for help. I am not into sewing machine but I try to help them as much as I can. but it is amazing how it works and all the parts in it that make this machine do the job..I admire that a lot.
admin
September 11, 2010 at 9:58 pm
HI Waleed,
I believe it has many similarities with printers ie electronics and mechanical parts.
Jestine
Amir Mukhtar Ashrafi
August 17, 2012 at 8:19 am
Great Sharing.. thanks you.
valued knowledge sharing .. i appreciate .you..
thanks you
Amir Mukhtar