Latest News
-
Conversion Of CCFL To LED Backlight Done In PANASONIC TH-L32C22D
This TV was brought by a new customer as per...
- Posted April 18, 2026
- 5
-
USB Hub Not Working
Received USB HUB stating problem was not detecting any USB...
- Posted April 18, 2026
- 8
-
Two Lovely Philips Radios Saved From Dump
The thrill of working on Radios, especially the world famous...
- Posted April 18, 2026
- 5
-
Completed Another Basic Electronics Repair Course
Completed today another Basic Electronics Repair course for 7 participants....
- Posted April 17, 2026
- 8
-
No Display Problem Solved In TCL Android LED TV Model 32S5202
This TV was brought by a new customer as per...
- Posted April 11, 2026
- 13
-
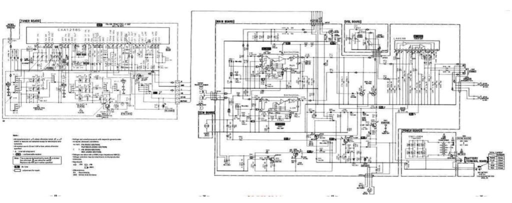
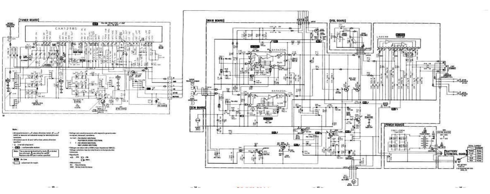
Solved Weak Output In PANASONIC TWO-IN-ONE Model RX-M70
This was brought by a recently added customer with the...
- Posted April 11, 2026
- 10
-
Completed Another Basic Electronics Level 1 Course
Completed today another Basic Electronics Repair level 1 course for...
- Posted April 10, 2026
- 8





