Latest News
-
A LG Smart TV Remote Control Repaired
This was brought to my shop for repair. It was working fine but even it was replaced with new batteries, it lasts...
- March 8, 2021
- 19
-
Rejuvenated A Weak CRT Tube Of Samsung Model KS9A21M16 And Fixed Broken Back Cover
This CRT TV was brought to me by a new customer (another recommendation...
- March 8, 2021
- 15
-
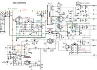
Using Clear Schematic Diagram To Troubleshoot Desktop Computer 400W ATX SMPS
I received call from the customer that his computer does not turn ON & He has confirmed problem with SMPS because...
- March 4, 2021
- 22
-
Funny Tuner IC Complaint Found In SONY Car CD Player
This Car CD /Tuner/USB Player was brought to me by a new customer with a complaint that all functions work except Radio. The...
- March 4, 2021
- 21
-
Shorted Diodes Found In Makita Battery Charger
An old man walked into my workshop carrying a battery charger that was totally dead and asked if I can repair it...
- March 4, 2021
- 12
-
Strange Power Supply Tester Result
Yesterday my desktop power computer user friend brought over 2 of his now defect ‘bigger’ power supply units for repair. One was 650W, and the other one was 850W....
- February 27, 2021
- 18
-
Creative SBS 370 – 2.1 Speaker Modifications
Received creative speakers stated problem both the satellite speakers Works intermittently when Vary Volume Control so that It is confirmed problem...
- February 27, 2021
- 29
-
Protronics Portable Bluetooth Speakers Repaired
Received Bluetooth speaker for repair stating problem sound quality is not as good as earlier and making some vibrating Noise when...
- February 22, 2021
- 4
Review Of Blue CCFL Tester
Review Of DY294 Digital Transistor Tester
Review Of Jingyan M6013 Autoranging Capacitor Tester
Visit To Australia
Visit To China
Visit To Hong Kong
Visit To Singapore
Visit To South Korea
Visit To Taiwan
Visit To Thailand
Visit To Vietnam
Electronics Repair Categories
Welcome To My Electronics Repair Blog

This is my journey in Electronics Repairing. In this blog, you’ll find lots of Electronic Repairing experiences, tips, tricks, guide & recommendations. I'm here to show you what I've learned...

















