Kenwood Amplifier Model KAC-629S – Dead but Now Repaired!
I recently received a Kenwood amplifier (model KAC-629S) that was completely dead. The owner mentioned that another technician had already looked at it and replaced a blown 25A fuse. The amplifier worked for a few days before failing again.
Now, whenever a fuse blows, it’s usually a sign that something else is wrong. The fuse only does its job of protecting the circuit. Simply replacing it without checking the root cause often leads to more damage.
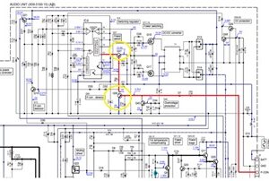
When I opened the amplifier, I expected to find a major short circuit. Instead, I noticed a burnt and completely cut circuit track. Interestingly, the replaced fuse was still intact, meaning the circuit track itself had acted like a fuse!
Tracing the track from the 12V battery input, I found it led to two MOSFET transistors (Q17 and Q18). Both were N-channel MOSFETs, and both had gone dead short between the drain and source legs. I replaced them and tested the amplifier with a car battery—but nothing changed. Frustration was starting to kick in.
At that point, I decided to look up the circuit diagram for this amplifier, which I managed to find online. After some careful tracing, I noticed that IC4 (UPC494C), which drives the MOSFETs, wasn’t receiving power on pin 12 (VCC). This raised the question: was there an open resistor or some other problem along the path?
After a closer inspection, I discovered a connector labeled P-CON. Following the track revealed two small transistors, Q36 and Q37.
Here’s how they work:
- Q37 acts as a switch for the VCC line.
- Q36 drives Q37 using the remote control signal (P-CON).
That explained everything—without the remote (control signal), the amplifier simply wouldn’t power up, no matter how much I tried.
I called the owner and asked him to bring his car so we could test it live. Once everything was connected inside his vehicle, he confirmed the amplifier was working perfectly.
That brought a big smile to my face—and his too!
Humphrey Kimathi is from Nairobi Kenya and the author of:
1) Lcd-Led Television Repair Guide
2) LCD-LED Television Repair Cases/Tips Volume 02
3) Microwave Oven Repair Made Easy
Please give a support by clicking on the social buttons below. Your feedback on the post is welcome. Please leave it in the comments. If you have electronic repair articles to share with us, please contact us HERE.
P.S- If you enjoyed reading the above article, click here to subscribe to my blog (free subscription). That way, you’ll never miss a post. You can also forward this website link to your friends and colleagues-thanks!
Note: You may check out his previous post on Sayona Woofer Model SHT-1221BT – No Output From All Channels, But Display Present, Now Repaired
(39)Dislikes
(0)






Tayo
October 4, 2025 at 10:46 am
Haha! So you werent into car stereos when you were young I see. No remote, no joy.
Humphrey Kimathi
October 5, 2025 at 9:10 pm
Haha, you caught me there! You’re absolutely right — I not really into car stereos repair. This repair actually taught me a lot about how the remote line works. Every day’s a learning day in electronics!
Parasuraman S
October 4, 2025 at 1:31 pm
Great repair with a humorous ending! Many thanks for sharing!
Humphrey Kimathi
October 5, 2025 at 9:13 pm
Thank you so much! I’m glad you enjoyed the story — it was one of those repairs that started frustrating but ended with a good laugh
Mark
October 4, 2025 at 2:35 pm
Great and systematic repair as usual
Humphrey Kimathi
October 5, 2025 at 9:15 pm
Thanks a lot! I really appreciate your kind words. I always try to take it step by step — it makes troubleshooting so much easier and more enjoyable. Glad you liked the post!
Albert van Bemmelen
October 4, 2025 at 5:55 pm
Nice job Humphrey! Good thing that the servicemanual for this Kenwood car amplifier was available else it probably would have been a dead search!
Humphrey Kimathi
October 5, 2025 at 9:17 pm
Thanks a lot! You’re absolutely right — having the service manual made all the difference. Without it, I’d probably still be chasing ghosts in that circuit! It really helped me understand how the P-CON line and the MOSFET driver worked together.
Serghei
October 4, 2025 at 7:32 pm
Connecting "Remote" terminal to +12V through 1kohm resistor will start the amplifier.. Good to know for the future!
Humphrey Kimathi
October 5, 2025 at 9:25 pm
Wow, that’s a brilliant tip! I really appreciate you sharing that — I’ll definitely remember it for future repairs.
Mark J
October 5, 2025 at 2:34 am
Humphrey well done the repair.
Humphrey Kimathi
October 5, 2025 at 9:30 pm
Thank you so much! I really appreciate the encouragement
Imoudu.O
October 6, 2025 at 4:31 am
Hi friend, I appreciate this car repair,I once got a car device for repair about 3 years ago,believe you me,I don't even know what it was,not to think of repairing it, moreover I had cradle experience then,so I rejected the repair.You really tried friend.
Humphrey Kimathi
October 6, 2025 at 11:42 pm
Hi friend, thank you so much! I totally understand — car audio repairs can be tricky, especially when you’re just getting started. I’ve also turned down a few in the past! Each project teaches us something new, and that’s the beauty of this journey in electronics. Keep going!
Waleed Rishmawi
October 6, 2025 at 3:49 pm
good one..so no remote no operation...they always jaming us techinician with this kind of nonsence and spend hours trying to figure it out..any way, thanks for sharing
Humphrey Kimathi
October 6, 2025 at 11:43 pm
Haha, exactly! These remote control lines can really trick us sometimes — you can spend hours checking components only to realize it just needed that tiny P-CON signal. Glad I’m not alone on this one! Thanks a lot for reading and sharing your thoughts.
Yogesh Panchal
October 8, 2025 at 7:21 pm
Excellent Repair!Reverse tracing is fastest process for troubleshooting any device.
Humphrey Kimathi
October 10, 2025 at 1:07 am
Well put.Thanks for the feedback