LG Slim TV With One Horizontal Line Solved
The complaint of this LG slim TV was one horizontal line across the screen. The common faults are usually bad vertical output IC, improper DC supply voltage, open vertical yoke coil, missing vertical signal from the vertical oscillator IC and also bad or leaky components in the surrounding area.
As usual, one need to open up the back casing in order to check on the circuit board. I was little surprised when I saw the vertical output IC was cracked and burnt-see the photo below:
Once you see a cracked IC, the first thing you need to do is to locate the part that was broken off. The reason for it is to track down the IC part number and this can eliminate the time of searching for the right part number.
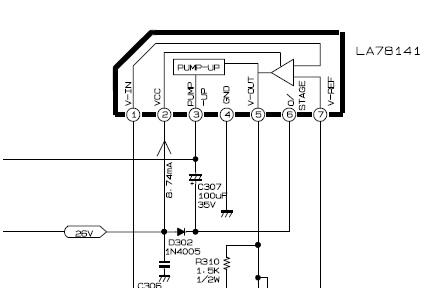
The part number was LA78141 and you can see the datasheet below:
Besides the burnt vertical output IC I also discovered two dead lizard-see the photo below. Probably these two lizards could have cause the vertical IC to blow.
I also noticed that the vertical output IC had some dry joints at the pins.
I continued to check on the corresponding components to make sure all the components are good.
I had this new IC LA78141 for replacement and of course I had to clean the circuit board first before installation of the IC.
Ok, now the board is clean and I can power up the TV to see if the problem solved.
Guess that the one horizontal line problem was solved but there was another problem which is color patches in the TV screen. From experience, this kind of problem can be caused by bad CRT Tube, open degaussing coil, bad posistor or dry joints in the posistor area.
I checked on the degaussing coil and it shows low ohms reading which was good and there was no dry joints in the posistor.
So I directly replaced the posistor and powered it On and guess what? The display was back to normal and two problems solved. If you want to learn CRT TV repair you can check on this ebook by Humphrey.
This article was prepared for you by Suranga Bandara who owns an Electronics shop in Anuradapura, Sri Lanka.
Please give a support by clicking on the social buttons below. Your feedback on the post is welcome. Please leave it in the comments.
P.S- If you enjoyed reading this, click here to subscribe to my blog (free subscription). That way, you’ll never miss a post. You can also forward this website link to your friends and colleagues-thanks!
Note: You may check out his previous repair article in the below link:
https://www.jestineyong.com/samsung-subwoofer-damaged-by-a-mouse/
(223)Dislikes
(2)






Mark
November 2, 2015 at 10:56 am
Hey Suranga,
As usual, thanks for a well written and diagnosed repair. You provided a good diagnostic path.
Amazing the wildlife people invite into their houses and TV's!
RIP lizards!
hongkongpom
November 2, 2015 at 1:26 pm
Great article!
I think the problem is that the lizards only like the music channel 🙂
Pepper
November 2, 2015 at 10:10 pm
After skinning the lizard, dress and cut up the meat. Marinate it in sour orange juice, or in sweet orange juice acidulated with lemon juice. Add 1 teaspoon whole peppers and a dash nutmeg. After 3 hours, drain and wipe the meat dry. Season with salt, dip in beaten egg and in fine bread crumbs, and fry in deep, hot fat. Or it may be sautéed butter until it is brown and tender.
Yum, yum, yum! (-;
Albert van Bemmelen
November 2, 2015 at 4:06 pm
Hi Mr.Suranga, thank you for making me remember the degaussingcoil serie PTC posistor component. (That only demagnetizes/degausses the crt tube shortly after powering on the TV set, by attaching an AC Sinus current onto the degaussing coil via a PTC serie resistor that after heating up will stop the current through the coil). I saved a few of these degaussing coils that can be used in future projects, because they cost nothing and work fine on the AC Power line voltage. (and also because the insulated coil wire can be useful in other projects too).
Henrique Jorge Guimarães Ulbrich - Brazil
November 3, 2015 at 3:22 am
Albert, which type of projects can be done with the saved degaussing coils?
Albert van Bemmelen
November 4, 2015 at 5:57 am
Hi Henrique Jorge, it is not that any projects come to mind right now. But you can demagnetize tape heads and larger metals with such a coil. And saving these coils after dismantling those old CRT tv sets costs really nothing.
And when you undo the tape round the coil, you get a very large insulated wire you can use to repair all sorts of transformers and similar devices that contain coils. They also use these coils to externally degauss Arcade CRT tubes that have magnetized tubes (that cause colour faults). On this link you are able to read about professional used Degaussers. http://degausser.com/. You can use the very strong produced magnetic fields to render your harddisk to completely unreadable before throwing it away if you have important personal data on it. Or use the wire to create a large Audio Induction Loop.
Henrique Jorge Guimarães Ulbrich - Brazil
November 4, 2015 at 8:48 pm
Thanks, Albert. Very useful information. I visited the link you've recommended about degaussing. This link is now in my browser favorites.
Thanks again.
Aziz
November 2, 2015 at 6:00 pm
Hi mr Suranga. thank you very much
Gary
November 2, 2015 at 8:01 pm
Wow crt tv I have not seen for 2 years one of these.
Good repairs info but plasma and Led tv and board swaps are all that shops near me do now - there are no good electronics engineers anymore in my country.
Yogesh Panchal
November 2, 2015 at 11:01 pm
Suranga Congratulations! for your effort.
Parasuraman S
November 3, 2015 at 5:49 am
Excellent! The posistor defect symptoms are new to me! Many thanks for sharing it! All the best!
Ulises Aguilar Pazzani
November 3, 2015 at 11:58 am
Good fix Sir
Humberto
November 3, 2015 at 9:14 pm
Good repair Suranga. In my country there are a great deal of CRT Monitors and TV sets.
Aziz
November 4, 2015 at 6:51 am
Hi mr. Jestineyong , i got interested in the electronic age ten until now i know many things from your website thanks to you dear, i wish you success
Jestine Yong
November 4, 2015 at 8:56 am
Hi Aziz,
You are welcome.
Jestine
Amit singh
February 16, 2018 at 6:21 pm
Sir lg ultraslim 21" tv picture carp problem please give me solution sir
Tito Kanshulu
November 4, 2015 at 4:39 pm
Good work Suranga and the ts is well explained.
Saikrishna
November 4, 2015 at 7:38 pm
Very well explained, in fact i have a similar kind of problem in my old TV, i thoroughly examined exactly the way you described and i found the faulty IC LA78045.
Now that i have located the fault, on the brief check i also came to know about the burn out resistor. But unfortunately am unable to find the Resistor value. Suranga can you help me finding the value of the resistor. Since my TV is old and unable to get the schematics for it.
Your thoughts will be very helpful for me.
Please, reply me.
Thanks
Saikrishna
Parasuraman
November 5, 2015 at 12:34 pm
To know the values of burnt out resistors, pl read Jestine Yong's book on it. To my knowledge, there is no match to the packed infos and secrets that his books give!
Derek
November 6, 2015 at 12:17 am
I had a problem with a new VHS VCR National NV-340EN ----the customer complained that the picture is very unstable. The problem was that a small mice got stuck in between the Guide Pole and the slot, in the play mode one guide pole could not reach the end because of the dead mice, after removing the dead mice and cleaning the area the set operated normal. small creatures usually creep inside TVs and other electronic equipment and create serious problems.
reza
November 13, 2015 at 3:17 am
hi Suranga Bandara
thank u very much for good article.
aziel
August 8, 2017 at 1:43 pm
When screen just goes off, where should the problem diagnosis start from?
aziel
August 8, 2017 at 1:47 pm
When I switch on the TV it shows that power supply is OK but can't lightup the screen what is the problem?
Franklyne simiyu
July 19, 2019 at 9:38 pm
Great work indeed,I just noted issues sorrounding posistor,many thanks.
Dhanesh
May 19, 2020 at 1:17 am
Sir, my TV is LG
MODEL :21FJ8RG3T8
and it will turn off automatically after a few minutes.what is the reason?
And I find a capacitor is blown near the EHT. But I can't identify that capacitor value.how to find that?