Restoration of JVC MX-J170V Component System
This system was brought to me with the complaint that none of the functions like CD, Radio or Tape are working. But the set gets on. Does not work on Remote. Preliminary ‘medical checkup’ at the ‘Casuality Section’ confirmed the complaints, and the ‘patient’ was admitted for ‘surgery and rectification treatment/replacement!’
As usual, my first duty was to open the cover, clean the inside using blower and various brushes, and then dismantle the set one by one beginning from the CD unit on the top.
Inspection of the various boards one by one, revealed corrosions, capacitor leakages, burn marks with dark spots/patches etc.
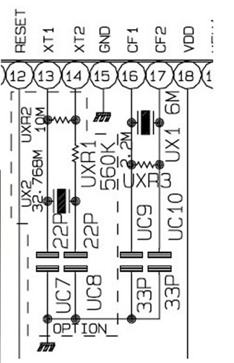
On the front panel, two push-to-on-switches were open. The clock crystal was so corroded that its leg had broken! The two resistors adjacent to it were showing funny readings. The 1 Meg resistor (Brown, Black, Green) was reading 69.7K and the 560K resistor (Green, Black, Blue) was reading 15.7K! Since this is the first time that I came across with resistors showing ‘short’ values, I got it clarified from Jestine Yong that it could be due to corrosion reaching its inner core and causing the short! The connected circuit diagram, which I had downloaded from a free site, also showed the values, except 10M, which was a printing mistake for 1 M.
So, carried out replacement of these components, after cleaning the area thoroughly. Since the ESR readings of many capacitors on the front panel showed out of range, I replaced all the capacitors on the board. However, the capacitors what is available in the market is slightly larger and might not fit in the same place. Moreover, the front panel will have knobs and buttons sitting closely on the component side of the PCB, requiring smaller sized capacitors. So, I soldered these replacement capacitors on the other side of the PCB, behind which there was plenty of space and gap, and bent them to one side.
The power supply board was having dry solders. So, it was retouched. On the Radio board, I found 7.200MHz Crystal corroded and leg broken.
So, cleaned the area thoroughly and replaced the component. Also replaced the 10.7Mhz crystal of FM.
I dismantled the CD unit piece by piece and did a thorough cleaning, dry solder patch up etc. Replaced the flexible connector (strip wire) that goes from the eye unit to the control PCB, as it was also corroded. Lubricated the rails on which the eye unit slides. Lubricated all the connectors using a syringe (as done in the hospital!) filled with cleaning and lubricating oil. Fit all the boards back in place. Checked and rechecked all connections to make sure that there are no mistakes. Switched on the set. Wow, the set started working perfectly well. All the three CDs were working. Video was OK. Radio was working well, both in AM and FM. Since the customer said that they are not interested in getting the Tape Deck serviced, I left it as it is, after doing only a dirt cleaning job. Here are the capacitors, resistors, switches and crystals replaced:
Now, look at the set functioning very well!
Another cumbersome job, completed satisfactorily, and the ‘patient’ has got satisfactorily discharged from the ‘post-operative observation unit’ for subsequent return back to its home! (I have purposely used the hospital language, because of my experience in the hospital environment, and technicians’ work has a lot of similarities!)
This article was prepared for you by Parasuraman Subramanian from India. He is 66 years old and has more than 30 years’ experience in handling antiques equipment Valve Radio, Amps, Reel Tape Recorders and currently studying latest techs classes conduct by Kerala State Electronics Technicians’ Association. He was a BBA graduate, retired as MD of a USA company.
Please give a support by clicking on the social buttons below. Your feedback on the post is welcome. Please leave it in the comments.
P.S-If you enjoyed reading this, click here to subscribe to my blog (free subscription). That way, you’ll never miss a post. You can also forward this website link to your friends and colleagues-thanks!
You may check on his previous repair article below:
https://www.jestineyong.com/philips-cassette-deck-aw529-restored/
(94)Dislikes
(0)






Gerald
March 2, 2016 at 3:23 pm
Hi Parasuraman,
Another amazing repair, thanks for sharing. This patient, indeed, was dead when admitted to your hospital and you literally resurrected it...
Cheers,
Gerald
Suranga Electronics
March 2, 2016 at 3:51 pm
Hi Mr Parasuraman Subramanian,
You done a very good and clever repair. I think you are an expert in audio repairs.
Yogesh Panchal
March 2, 2016 at 4:13 pm
Sir,
Good job! Keep sharing.
Anthony
March 2, 2016 at 5:57 pm
Great repair Parasuraman, you have saved this patient from the cemetery for sure !.....Very good thorough repair and a job well done with terrific photos !....Thanks for sharing with us.
sudhir
March 3, 2016 at 12:53 am
Loved the way you explained the things over here with taking examples from hospital,
You are really Antique.
You are the motivation to not leave the patient without being attended what ever may be the condition.
Please keep up the good work by distributing your experiences.
Thank you Sir!!!
dicksy
March 3, 2016 at 2:43 pm
great article.thank u
Robert Calk
March 4, 2016 at 12:09 am
Nice job, Parasuraman. I also felt like a surgeon when I replaced the back-up battery in my oscilloscope.
Humberto
March 4, 2016 at 11:23 pm
Good repair Mr. Parasuraman. Continue sharing your experiences