Samsung HT-TZ315 DVD Player loading forever
Today I got a Samsung HT-TZ315 dvd player who has a problem of loading the dvd. This means, if I wish to play a dvd then it shows only loading on the front lcd but the dvd will never loaded and the music or movie will never start playing.
This is the picture without the cover.
Are you realizing what is happening?
The lcd shows “LOADING” but the disk is not rotating. For some reason the motor that rotate the dvd didn’t turn on. The problem could be:
– bad contact, broken pcb, flat cable etc.
– some bad components
– bad driver ic
– bad motor
– firmware problem
This is the list how I will do my checking and repairing continuity. Let’s go and repair this little monster.
This is the overview of the dvd player. The dvd mechanism is connected with 3 flat cables. On the picture above, I labeled the cables with numbers from 1 to 3.
- cable to the laser optic
- cable for the laser optic motor, dvd rotary motor and the tray switch
- cable for the tray open/close motor
All this cables has to be disconnected and the four bolts have to be removed to take out the dvd mechanism safely. For first, I checked the cable and connector under the number 2.
When I gently flipped the connector, I felt that the contacts gently moved on the legs 1 and 2. That’s the legs for the motor that rotate the dvd.
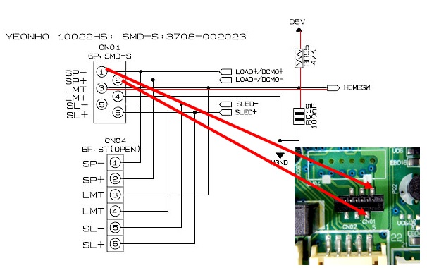
Just in case, I checked the entire path from the connector to the AM5766 driver IC. In some case when connector this type have a bad soldering joint it could be does the wiring under the legs are broken, or another wiring next to the bad soldered leg are broken.
This is the AM5766 driver IC how it is wired on this model of dvd player.
After the test I resoldered the contact and reassembled the unit to se did, I solved the problem. The result was positive, the dvd started to spinning and the movie started playing and no more loading forever on display.
I hope you enjoy this tutorial and will save lot of repair time.
This article was prepared for you by Christian Robert Adzic from Novi Knezevac-Serbia.
Please give a support by clicking on the social buttons below. Your feedback on the post is welcome. Please leave it in the comments.
P.S- If you enjoyed reading this, click here to subscribe to my blog (free subscription). That way, you’ll never miss a post. You can also forward this website link to your friends and colleagues-thanks!
Note: You can check his previous post in the below link:
https://www.jestineyong.com/lm317-adjustable-voltage-regulator-testing-method/
(156)Dislikes
(5)






Robert Calk
October 26, 2015 at 8:47 am
Nice job, Chris! Thanks for the article.
Mark
October 26, 2015 at 8:58 am
Thanks Chris for a well written article. You have provided excellent pictures, diagrams with clear arrows and a good explanation. I have had a few DVD players in for repair, but non with a fault like this. I will keep this in mind for next time.
Suranga Electronics
October 26, 2015 at 1:28 pm
success And Top Article...
Yogesh Panchal
October 26, 2015 at 2:35 pm
Good job! Chris.
Albert van Bemmelen
October 26, 2015 at 3:43 pm
Well done Chris. Good that you also were able to find the Samsung schematics for this HT-TZ315 dvd player repair. Because that is in most cases not possible. Do you therefore also have a link were you found it? Thanks for the already given diagrams!
Andre Gopee
October 26, 2015 at 8:54 pm
Mission accomplish. Great Job. Thanks for the article.
Chris
October 27, 2015 at 6:38 am
Thanks for supporting Albert, of course here is the link from where I downloaded the schematic of that dvd player.:
http://elektrotanya.com/samsung_ht-tz315.pdf/download.html
Pleas look in the down area of the page for this text:
"This file is downloadable free of charge: ...processing...
(You are not logged in, only 2 downloads per day possible for you.)"
and wait till the processing is gone and it's written "Get Manual" then click
on "Get Manual" and you can download the manual.
It is a bit hard to download from this site if you are a first time visitor on it.
My best regards.
Albert van Bemmelen
October 27, 2015 at 4:40 pm
Thanks Chris. Indeed downloading often can't be done succesfully on that site the first time. It seems to have a bad server or something like that. But when you are a registered user on ElektroTanya like I am (it's free after answering a few simple Electronics questions), you are not limited to only 2 downloads a day. And even if the first 2 download tries fail you then also can try downloading a few times more the same day. (Until the download succeeded). But keep in mind to log in on that site every once a while, else you loose your registration privileges. Cheers!
Parasuraman S
October 27, 2015 at 6:41 am
Nice work. Very informative and thorough! Good hints and systematic way of approaching a problem! Best of luck!
frans
October 27, 2015 at 10:37 am
Thanks for the article..
I have some problem with my dvd player brand SONY, the problem is, a dvd still loading when i turn on, the all push button malfungtions, like a push button open,play,stop,etc. Please help me what the problem with my dvd player. Thanks before..
Chris
October 28, 2015 at 4:24 am
Frans: are you checked does the disc is spinning until the loading is in progress?
What would happen if you let the dvd load a while?
Will be some error message or would the loading process last forever?
What is the whole product number and/or type of that Sony dvd?
My best regards.
mobin
October 27, 2015 at 9:53 pm
thank you very very much... for
amendar
October 28, 2015 at 4:46 am
Dear Christian,
Nice job, and a very good explanation.
Thank you,
michael magwaza
October 28, 2015 at 4:08 pm
Thank, I have just read the DVD player that's loading forever subject it is very interesting thank you
Michael magwaza
Humberto
October 30, 2015 at 8:22 pm
Hi Chris, good repair with good explanations and pictures, as usual.
Dan
November 1, 2015 at 1:46 am
Thanks for your time in giving us this insight full repair information. This is why I come and read the articles.
Alexis Alexander
November 18, 2015 at 9:38 pm
My DVD player plays for some time and ejects the cd what could be the problem
Alex
tony
March 22, 2019 at 12:32 am
hi can i please have the number of the icm1 in the power supply board
ramendra
July 25, 2020 at 1:41 pm
sir kindly help me my samsung HTj5550k blue ray has boot loop problem when power on it becomes on and off - on and off continously TV screen appear and goes off what can i do kindly suggest .
Rbbby Jackson
August 29, 2022 at 9:04 am
Hi, I have one of these players that the dvd player is removed. I intend to use it as an amplifier, however, I am getting a message that says fan chn, or something like that. Whenever this happens it just shuts down. What can I do?
Harpreet singh
December 17, 2022 at 3:20 am
Hello sir.i need this power supply