Sound Fault in a Toshiba Equium A100 Laptop
Symptoms
This old laptop was working well until the sound from the right speaker disappeared. If it was possible to repair it economically, it would be preferable to scrapping it and buying a new laptop, since it otherwise did everything required.
Diagnosis
As any computer technician will tell you, when a fault occurs in laptop speaker output, the culprit is usually the headphone jack socket failing to maintain the proper speaker/headphone contacts. However, on checking by plugging in headphones, it was found that there was no sound in the right channel here either. This looked a more interesting problem.
Picture 1 shows the speaker connectors on the System Board, accessed by removing the keyboard.
Injecting a tone signal here showed that both speakers were working fine. The next step required the laptop top cover to be removed so the required audio components on the System Board could be accessed. Luckily, on this laptop, all the main audio components are on the top side of the System Board, so it was not necessary to remove it from the base for diagnosis.
Picture 2 shows the Audio Chip (U14 a Realtek ALC861) and the Audio Amplifier Chip (U18 a Maxim Max9750) and the Volume Control.
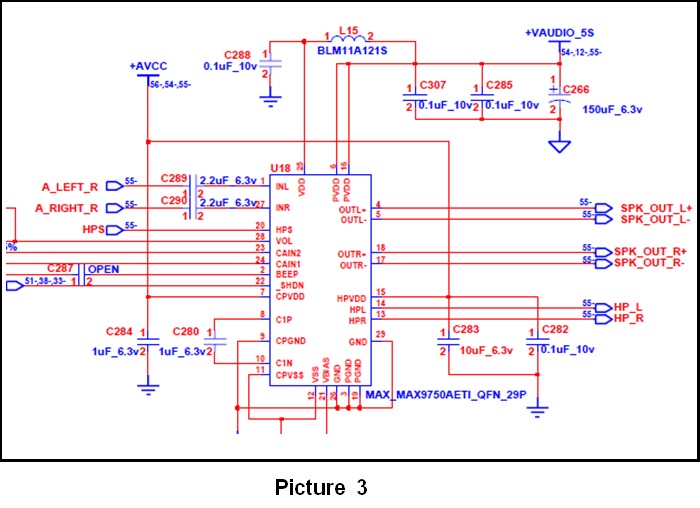
Picture 3 shows the circuit diagram of the Audio Amplifier components. The Speakers are fed from the Amplifier OUTL and OUTR ports, signals SPK_OUT_L and SPK_OUT_R.
Applying the test tone at these points gave sound out of both speakers. Next we check the inputs to the Amplifier at INL and INR ports with the test tone, again getting sound from both speakers, confirming the amplifier is working.
Now we must test the other side of the 2.2uF capacitors C289 and C290. Picture 4 shows the Amplifier and the Capacitors C289 and C290.
We find that applying the test tone to these points gave sound out the left speaker but not the right speaker. Removing C290 and testing it with a capacitor tester showed it to be open circuit. Fault found!
Repair
Replacing tiny components such as this faulty capacitor, in an area having many other components is very difficult to do with a regular soldering iron. I use a basic hot air rework-station, which makes the job very easy. To remove the component, just heat it up using about 300 degs C air, and after a short time lift it off the board with tweezers. To solder the new capacitor in place, I find it very easy using Solder Paste and the hot air Gun. Dab a small amount of solder paste on each of the System Board pads of the capacitor, place the capacitor on the pads, and simply heat up the capacitor until the solder paste melts and completes a high quality solder joint. Job done – right speaker now working fine.
Tools
A few words on the tools I used, because using the right tools will make a difficult job a much easier and quicker job.
Multimeter
The simplest one will do to check voltages and continuity.
Capacitor Tester
As in this case, it can be difficult to use a Multimeter to conclusively demonstrate that a faulty capacitor is open circuit, so to be sure, a capacitor tester is needed. However, no need for great expense here – I use a DM6013.
Tone Generator
I use an old and simple Nombrex Signal Generator to generate a 1 KHz signal with sufficient amplitude to drive laptop speaker directly. A Tone Generator is essential for audio fault-finding. If you do not have one and cannot find one to suit your budget, download a software Tone Generator onto another computer which can then output the tone from its headphone socket to the laptop under test. Get it from:
http://www.ringbell.co.uk/software/audio.htm
Manufacture a cable using a computer stereo jack plug on one end and pair of small cheap probes on the other to inject the tone from the headphone socket into the desired place in the circuit.
Hot Air Rework Station
I use an Atten 858D, which works beautifully and did not cost a great deal – see eBay prices – around £30 UK.
Solder Paste
I use solder paste now almost exclusively, even with a soldering iron. It produces, with high reliability, neat and electrically sound joints. Never known a dry joint with it yet. Get it in syringes for easy use, but more economically in pots. Apply to pads with a dental pick! Because of confused terminology in eBay (and other) sales forums, be sure you are getting Solder Paste (i.e. a mixture of solder and flux) and not just flux.
This article was prepared by Gerry Millward from the UK. He is 73 years old and is retired from his career as an electronics engineer (with a strong bias towards computing) in the UK Aerospace and Defence industries, and the RAF. He worked on his first computer (an AEI 1010) in 1960 as an AEI apprentice, and wrote his first computer program in Elliot Autocode on an Elliott 803 computer in 1967. He is a Chartered Engineer and MIET. To keep himself constructively occupied, he is now a self-employed computer technician in a village near Bristol in the South-West of England. Relearning the old skills of soldering using traditional and new tools, after so many years, was a great challenge!
Please give a support by clicking on the social buttons below. Your feedback on the post is welcome. Please leave it in the comments.
P.S- If you enjoyed reading this, click here to subscribe to my blog (free subscription). That way, you’ll never miss a post. You can also forward this website link to your friends and colleagues-thanks!
P.S.S– If you are a beginner and wish to learn laptop repair you can check out the link HERE or click on the image below:
(136)Dislikes
(0)






Gustavo Contreras
November 4, 2015 at 11:30 am
It is awesome that a person of 73 years old have the spirit and the motivation to do a great repair like this one, and to still learning new techniques. I am really impressed.
That is awesome!!! I really enjoy reading this article and I want to congrats to Mr. Gerry Millward...you are 73 years Young!!!
You have all my respect.
Gustavo Contreras
Gary Gemmell
November 4, 2015 at 12:42 pm
Great stuff Gerry always great to learn from a real pro!
I got the same hot air gun from ebay and its been the most useful thing for repairs its helped me develop my skills well beyond what they were using an old soldering station.
Dont see many in depth computer repairs like yours these days its all board swapping and ripping customers off now!
Aziz
November 4, 2015 at 1:10 pm
This is a pretty good repair training . Thanks
YOGESH PANCHAL
November 4, 2015 at 3:23 pm
Sir,
I hate to evaluate ability and capability by some one's Age in years and word "Retired" Rather i will say Good JOB Gentelemen.
Albert van Bemmelen
November 4, 2015 at 3:58 pm
Thank you Gerry! Nice repair with good Tool tips. And thank you for the Solder Paste buying tip in pots on Ebay. (Would be nice if you could share a link were best to buy it). Although the reason why you don't use a standard soldering iron but a Hot Air Station instead, is the same reason why I rather use my soldering iron if I can. As you also accidentally can blow surrounding smd components off the board easily too, by using a little bit too much air blow.
Gerald Millward
November 11, 2015 at 6:47 pm
Albert, you are right - I should have mentioned that it is easy to blow very small componets away!. However, solder paste "sticks" the component to the board a little and you soon identify the appropriate air flow with a little experience. I prefer a hot air gun to a soldering iron for most laptop system board repair jobs because there is usually insufficient room with the tightly packed tiny components to use a soldering iron comfortably. With a soldering iron it is also very easy to damage the tiny circuit tracks. Very skilled people can do it - I find it much much easier with a hot air gun.
This eBay sale offers "solder paste" - it is actually just flux:
http://www.ebay.co.uk/itm/NEW-Solder-Paste-30g-Tin-/171643035607?hash=item27f6b8dfd7:g:AuMAAOSwT6pV7B-c
This eBay sale offers solder paste which IS solder paste.
http://www.ebay.co.uk/itm/TOP-Sale-Effective-MECHANIC-Reparing-Solder-Paste-XG-50-42g-Sn63-Pb37-25-45um-/321911802034?hash=item4af37048b2:g:IVgAAOSwo6lWOcM4
I use Lodestar - but there's none on sale at present, so I don't know how good this XG-50 is. It's certainly cheap, so probably worth a try.
Gerald
November 4, 2015 at 4:54 pm
Hi Gerry,
Wonderful troubleshooting and repair work. Congratulations, you are a real inspiration to all of us.
Cheers,
GM
Parasuraman S
November 4, 2015 at 8:20 pm
Vow! Great achievement, indeed! Like many others commented, my 'Pranams' (Indian style for salutations) to you, Sir! You are a motivator for me, as I too am 66 years old and wish to go on and on with my hobby as long as my 'material tools' allow me to, or obey my commands! This is an intricate job, but you have approached it correctly and resolved it by systematic way of troubleshooting! A lot to learn from you, and I look forward to reading many more such articles from you, Sir!
Humberto
November 4, 2015 at 9:43 pm
Hi Gerry
You have done a great repair, and have explained everything step by step. Congratulations and keep up.
Mark
November 5, 2015 at 5:35 am
Hey Gerry,
Thanks heaps for such a well written and explained article. Although I am in my 50's and have only been doing electronics as a hobby for the last 3 years, I really appreciate people like Parasuraman and yourself that have a wealth of knowledge and are happy to pass it on to 'young' ones like myself. The skills, knowledge and years of experience need to be passed on to younger generations so that this industry and hobby can continue.
Thanks again and well done.
Keep 'em coming!
Andre Gopee
November 5, 2015 at 5:39 am
Hi Gerry, great stuff... I myself use signal generators to trouble shoot radios and is make the job so simple. But I have one question... How do you know the value of those capacitors. I have a lot of trouble identifying SMD capacitors value, only if I have a schematic diagram, then I would know the value. Can you share the secret for knowing this? Thanks again for the great article.
Gerald Millward
November 11, 2015 at 6:11 pm
Identifying the value of faulty capacitors (and often resistors and inductors) in circuits can be difficult since you can't measure them. Generally, I do not attempt a system board level repair of a laptop without a schematic circuit diagram, unless it is a relatively easily diagnosed power problem. If in a position where you need to do this you can buy a faulty system board of the same type on eBay for a low price and use the corresponding component from that. I have a stock of such motherboards of many of the common laptop models to provide spare components. Apart from that it becomes a process of deduction from the voltages in use and the circuit type (e.g. is it an audio coupling capacitor) - then try various values until the circuit works OK.
Debirt
November 6, 2015 at 11:26 am
Totally impressed Gerry. I am already looking forward to your next article.You are an inspiration.
surat kumar
November 6, 2015 at 12:32 pm
thank u mr Gerry
Robert Calk
November 11, 2015 at 1:16 am
Nice job, Gerry. I tend to use my soldering iron any time that I can.
reza
November 13, 2015 at 3:15 am
hi Gerry Millward
thank u