Crackling Noise In TEAC Amplifier Model AS-100 Solved
This was one among the three antique sets brought by a new customer from a faraway distance, as a result of mouth-tomouth publicity! The complaint reported was that the left channel of the Amp was having loud crackling noises even at minimum volume, which I confirmed on checking. But I found mild noises in the right channel too. The set was taken to a local technician, and it worked for a few days and again developed the same problem; this was the further information provided by the customer and that impregnated my anxiety as one cannot say to what extent tampering and modifications have been done! Anyhow I opened the set to find that the inside was clean enough for me to take up the work right away. I downloaded the circuit diagram from the net and studied what should the circuit be originally and what were the things done by the other techie which I had to reinstate. I saw that two resistors that go to the headphone connector were cut, one yellow wire that go to the speaker protection board was cut and taped, left channel fuse was directly wired as the fuse had blown, SCR was connected in place of a Triac in the speaker protection circuit etc.
Is not that enough to bring shivers to the shins? The amplifier board had been combed all over and reconnected but the work was not shabby. From the look of it, he had done what best a normal technician would do to trace out the problems, attempts of which caused a hide and seek play by the problems, which only resurfaced when none was around! (LOL) The problems were intermittent and appeared only when you switch on after a long break, making troubleshooting time consuming and tiresome. Nevertheless, I did a voltage and resistance match test between the two channels and could not find any difference. I replaced the rest of the electrolytic capacitors on the board as the other technician had done some and if I am not mistaken he had even replaced the fixed caps. I tried bypassing the speaker connection switches and giving connections directly, as there were no voltages present. I had also disconnected the only wire to the speaker protection board. I tried to trace the stage that caused the problem by connecting an oscilloscope but it did not show up, reason for which eludes me even now! Let us have a look at the circuit of this trouble making circuit along with a photo of the inside of this lovely designed Amplifier. The PCBs had clear markings and were corresponding to the schematic that I downloaded. The troubleshooting was easy to the extent that the boards were fixed in a metal frame in the centre and easily accessible from both sides if we kept the amp on its sides after removing the cover and bottom plate. I removed the amp board after taking out all the wire ties and kept it on the sides for me to conduct the investigative surgery procedures:
So, the next step was to replace transistors beginning from Q602. The transistors used were PNP type with numbers 2SA493. I never had this in stock and nor was it available in the market. I used 2SA1015 which surely was equivalent, if not better. After replacing Q602 and Q604, the crackling noise abandoned the set as these were the culprits creating problems on load. I had a suspicion on this section, as when I was comparing the resistance between two sections, the base of Q602 showed zero a couple of times. On checking the removed transistors, one was showing Hfe as 7 instead of around 120 to 400. So, the curtain fell on this and the Amplifier worked very well for a prolonged period on testing with headphone as well as speakers. I replaced the two transistors on the other channel too to ensure a perfect match. So, the minute disturbance in that channel also vanished! (Forgot to mention that the pots were cleaned!)
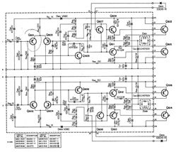
The next step was to restore the speaker protection which was tampered with wrong component fit. Let us have a look at the circuit.
As AM2D41 triac was not available in the market, I used BTA16B, which was a better rated one. The component used in the board was TYN604 which was an SCR. The difference in the symbol is as given below [SCR followed by TRIAC]:
The main difference is that Triac has two anodes facing each other with a control gate, but SCR has only one with a control gate. So in this circuit, the use of a triac was important as either positive or negative voltage could be present in the speaker outputs due to faults in the amplifier which can damage the speakers. If you look at the circuit, the wiring was done in such a way to sense both the voltage and shut the output of the Amp off. Two PNP transistors and two NPN transistors were used in the circuit for this purpose. Both positive and negative voltages with a common ground were given to the board with speaker wires routed through the board to the fuse. The fuses were rated 3A 250V AC. Our experts in the forum would provide more technical stuff regarding the working of this board as I have only covered the basic fundamentals. Then fit the board back and connected the wires and applied power to get the desired results.
The Amp worked flawlessly for hours together playing music from a USB player. I enjoyed the output of the Amp which is the fringe benefits that we, technicians, get! Then fit the Amp back in its case and kept it posed for a departing photograph with the removed ‘cancer’ cells, by which time, satisfaction found its collection target and jumped in:
Addendum:
Now for the other tape deck that was brought along with this. I am giving below a picture:
The complaint was tape dragging after a few minutes play. I loaded a cassette and selected auto-reverse in repeat mode and played a cassette. The cassette played at-least ten times back and forth and there never was any dragging problem. I informed the customer about this and told him that it could only be due to tight cassettes. So, kept it aside for return without even opening!
Why am I reporting this here? We should practice honesty in our profession and trade to the extent a fair deal allows. I could have told this and that and made some money. But when even hard earned money does not stay with us, how can we expect earnings through crooked ways to stay with us? It might go from our hands sometimes even inflicting severe damages! A good reputation through fair trade practice should be the watch word for our functions!
The customer felt happy about it and it enriched our relationship for a strong bond and as per some messages exchanged in Whatsup, he would be bringing a few more sets.
This article was prepared for you by Parasuraman Subramanian from India. He is 74 years old and has more than 30 years’ experience in handling antique equipment like Valve Radio, Amps, Reel Tape Recorders and currently studying latest tech-classes conducted by Kerala State Electronics Technicians’ Association. He has done graduation in BBA degree, private diploma in Radio Engineering and retired as MD of a USA company. Presently working as Consultant to Hospital and other institutions.
Please give a support by clicking on the social buttons below. Your feedback on the post is welcome. Please leave it in the comments.
P.S-If you enjoyed reading this, click here to subscribe to my blog (free subscription). That way, you’ll never miss a post. You can also forward this website link to your friends and colleagues-thanks!
You may check on his previous article on Intermittent On-Off Problem Solved In SONY Cassette Deck Model TC-K333ESG
(38)Dislikes
(0)






Yogesh Panchal
August 30, 2025 at 4:25 pm
Sir,
Very professional approach,It's a very time consuming job when someone has already tried it.
Parasuraman S
August 30, 2025 at 8:05 pm
Many thanks, dear Yogesh Bai!
Albert van Bemmelen
August 30, 2025 at 4:33 pm
Very interesting and detailed amplifier repair Parasuraman! Although this Teac set was mentioned being an antique set it uses a very modern speaker protection circuit! And the often in modern amplifiers used relay protection circuit probably is only a common anti-plop speaker protection circuit to avoid a big bang when the amplifier is switched on. Which I suppose this Teac amplifier also must have then.
Parasuraman S
August 30, 2025 at 8:10 pm
I did not find any relay circuit in this. But there is a delay start enabled by the capacitor charge used. Many thanks for your expert comments, dear Albert!
Hans Andersson
August 31, 2025 at 1:45 am
As Sherlock Holmes but in electronics!
"Diagnosis is 100% mental. We get a
few facts about the nature of the fault
from direct observation of the symp-
toms. The most unskilled man in the
world can make the initial observation
“It doesn’t work!” Next is “What doesn’t
work?” Using the oldest method known,
the technician then follows a_ logical
step-by-step procedure to identify the
faulty part. Four steps—Function, Stage,
Circuit, Part."
Jack Darr Service Clinic No. Two
Parasuraman S
August 31, 2025 at 6:26 pm
Very wise advice! Many thanks!
Menahem Yachad
August 31, 2025 at 2:01 am
Very nice diagnosis on the 2 transistors of the Differential Amplifier.
The Bases of Q603 and Q604 should always measure 0mVDC (+/-10mV) on this and any similar amplifier.
If not, there's a clue that those 2 transistors should be replaced.
Parasuraman S
August 31, 2025 at 6:27 pm
Yes, very true! Thanks for the input! Many thanks for your comments too!
Mark J
August 31, 2025 at 4:19 am
Parasuraman great repair. You are always a professional .
Parasuraman S
August 31, 2025 at 6:28 pm
Many thanks, dear Mark! You made me gooseflesh!
Waleed Rishmawi
August 31, 2025 at 6:12 pm
Professional work as always. Finding a replacement is one of the important things in our repair issues. Good job my friend . Be blessed today
Parasuraman S
August 31, 2025 at 8:10 pm
Many thanks, dear friend!
Imoudu O
September 1, 2025 at 3:31 am
I got confuse with the use of scr or triac,going by the protection board markings,where you claim a scr was mistakenly put instead of a traic is marked with G and K / D752
On checking the datasheet of component that has such markings is an SCR:K A G... pin1-k,2-A,3-G.
So the original marking on that board is K A G,guess I. Pls take a good look at it again,thanks sir
Parasuraman S
September 1, 2025 at 4:40 pm
The markings might not be same as component put, as the manufacturer changes the design at the time of final implementation. Anyhow, thanks for your observation and input!
AdamS
September 1, 2025 at 7:05 pm
Excellent repair Parasuraman, and I hope your shins are no longer shivering!
Parasuraman S
September 2, 2025 at 9:10 pm
Ha! Ha! Ha! Enjoyed! Many thanks!