Intermittent On-Off Problem Solved In SONY Cassette Deck Model TC-K333ESG
This was one among the three sets brought by a new customer from a faraway place; a result of mouth-to-mouth publicity! The complaint reported was that it worked fine for a few minutes and then goes off and was intermittent.
Checked and found it to be true. First of all I downloaded its service manual from the net to make things easy. I opened this lovely Deck, which was almost clean inside except for settled fine dust on the boards. As per practice, the first investigation began from the power supply board. Let us have a look at the inside of this well designed deck which can be viewed from both sides after removing the covers. The boards are fit in a metal frame in the centre.
The board in the middle was the power supply board attached to the voltage selector board. I removed this after marking the connectors properly and disconnecting all connectors.
The colors of the wires were well written on the PCB making service very easy, which I really appreciated. In a few places it was written to which connector number that should go to! Vow! What a service-friendly design!
The set indeed had been serviced before and I saw a few capacitors replaced and traces of rework done. The customer confirmed that a futile attempt was made by another technician, which made my work more complicated as I need to then look for tampering and modifications!
As the counter display was flickering when the motor was running and the set got off on such occasions, I suspected that the DC supply was not proper or something was drawing excess current making the µController shut off. There was no indication of any standby in this set; but the lamp inside the tape deck remained lit up and the capstan motor running, but all displays shut off. I replaced a small electrolytic capacitor in the PS board and retouched both the boards, lubricated all connectors and made it pukka. Then reconnected the boards and applied power. The set got on and I did not want to load a cassette to play at this stage. By the way, the door opening and closing was automatic at the press of a button, obviously a motor control. I allowed the set to be in on condition and went to the kitchen to have my breakfast. The set was found in off condition when I returned, confirming that something was wrong in the main IC board side. I saw a few electrolytic capacitors replaced in that board too. The two voltage control transistors and two regulator ICs were not getting hot indicating that there was no current drain. The next possibility was improper filtering of DC which destabilizes the system IC. As the board was well laminated with varnish, I could not see any dry solder as such. The other technician had retouched all points that were necessary. So I replaced all the rest of the electrolytic capacitors on that board, which included the 10uF, 47uF, 100uF etc. Then removed and lubricated all the connectors, upon which the system got on when powered and remained stable.
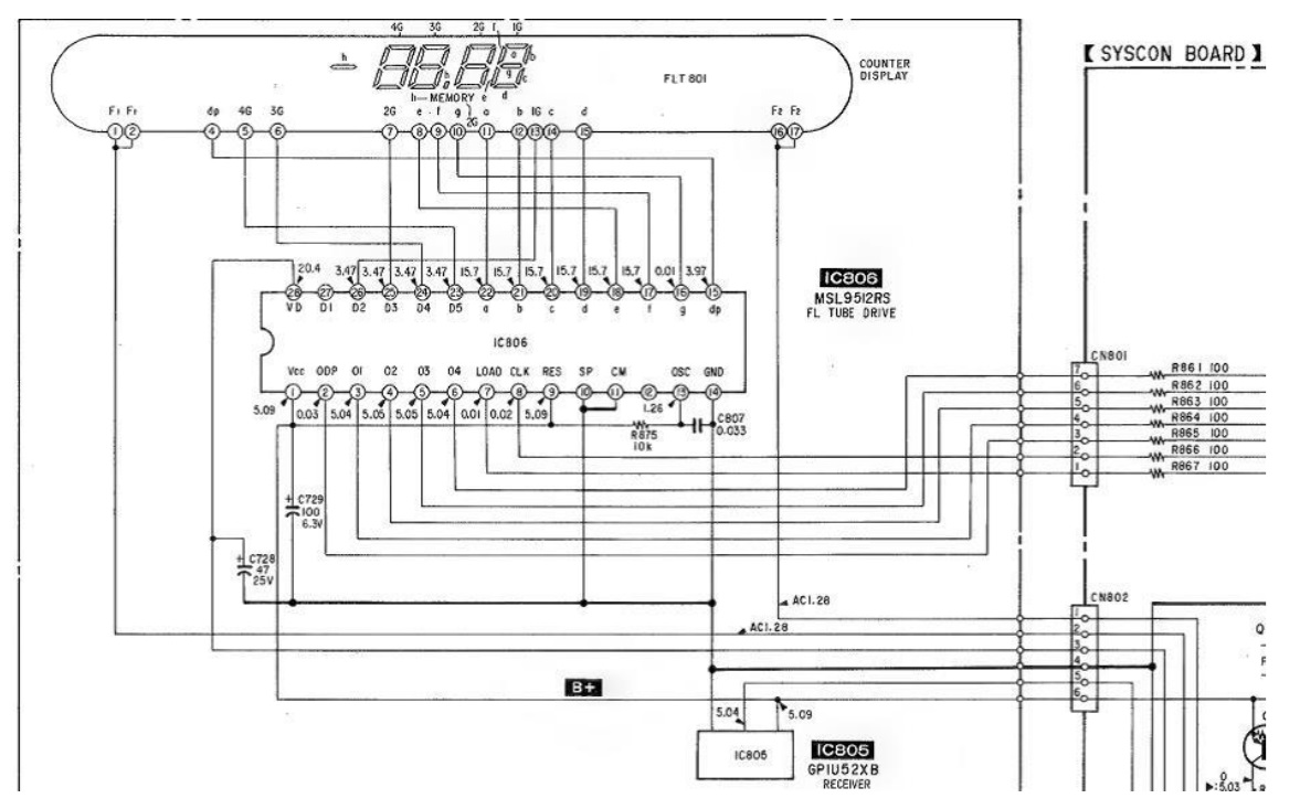
But the flickering in the counter display was still there. I loaded a cassette and played it continuously by changing the A and B sides to check whether the problem was solved. After ensuring that it was ok, I removed the display board and checked it. It was already tampered with tracks joined by wire and a couple of electrolytic caps removed. But retouch of the entire board was not done. I retouched the entire board and connected it externally to study what else was wrong in the circuit as the counter was not working.
Then using the Oscilloscope studied the wave forms and following are the results:
The last check was on the oscillator pin of the IC, which showed weak and distorted. I studied the schematic of this IC and the voltages to be found at each pin. Let us have a look:
The supply voltage and other input voltages were ok. But the output voltages were not proper. I even replaced the 333K capacitor in the oscillator section. The resistor of 10 K was also ok. The two electrolytic caps were new (replaced by the earlier technician already) When I informed the customer that the IC was suspected, availability of which was in doubt, he informed me that the set was like that only when he bought it as a used but working set and it did not matter.
So, I aborted my attempts and refit the board back in its place. I saw a minute flickering in the digits which showed that some data was reaching but was not strong enough.
Then run the set for several hours and found it to be working in perfect condition, upon which I fixed the bottom plate, top cover and side wooden plates. Mission accomplished with a lot of variety experiences and therefore the derived satisfaction was admitted to the collection bag without any hesitation!
This article was prepared for you by Parasuraman Subramanian from India. He is 74 years old and has more than 30 years’ experience in handling antique equipment like Valve Radio, Amps, Reel Tape Recorders and currently studying latest tech-classes conducted by Kerala State Electronics Technicians’ Association. He has done graduation in BBA degree, private diploma in Radio Engineering and retired as MD of a USA company. Presently working as Consultant to Hospital and other institutions.
Please give a support by clicking on the social buttons below. Your feedback on the post is welcome. Please leave it in the comments.
P.S-If you enjoyed reading this, click here to subscribe to my blog (free subscription). That way, you’ll never miss a post. You can also forward this website link to your friends and colleagues-thanks!
You may check on his previous article on Saving Computer SMPS Part – 14
(30)Dislikes
(0)






Waleed Rishmawi
August 23, 2025 at 6:10 pm
wow, that was tough but victory as a result was worth the time and effort spent. thanks for sharing. be blessed brother.
Parasuraman S
August 23, 2025 at 9:07 pm
Many thanks, dear friend!
Albert van Bemmelen
August 23, 2025 at 6:27 pm
Not being able to replace the suspected counter display driver ic is something to be expected as these chips are never standardized components. And even if they were available it still would drive these old in time deteriorating gass tube counter displays. So luckily it was not a big issue for the customer here.
Parasuraman S
August 23, 2025 at 9:11 pm
Yes, getting old spare parts is a nightmare sometimes! Luckily this customer was honest and told me the truth. Otherwise I may have to solve that problem also! Many thanks! One advantage with me is that I am working from home without any display board or advertisement and the customers that reach me are known through other customers and are in a way, chosen! Many thanks, dear Albert for your expert comments!
Yogesh Panchal
August 23, 2025 at 11:11 pm
Good Job! Sir
When the capacitor starts to trembling at you it indicates that the work is about to be completed ...(LOL)
Parasuraman S
August 24, 2025 at 8:32 am
Ha! Ha! But one thing, Yogesh Bhai, the performance of an old set after replacement of all electrolytic caps is found to be superb! One customer who brought a couple of two-in-ones for repairs requested me himself to replace all electrolytic capacitors! So, my method and its usefulness is getting greater publicity and acceptance! Many thanks, dear!
Mark J
August 24, 2025 at 8:09 am
I always enjoy your cassette Deck repair articles. I work on them myself sometimes. I am not that good of a repair technician as you are. Good job on the repair.
Parasuraman S
August 24, 2025 at 8:36 pm
Many thanks for your comments and encouragement, dear Mark!
Menahem Yachad
August 24, 2025 at 3:10 pm
You made me laugh!
"mouth-to-mouth publicity"
That's a lot of kissing!
I think you meant:
"word-of-mouth publicity"
Have a great day!
Parasuraman S
August 24, 2025 at 8:38 pm
Ha! Ha! I enjoyed! Idioms and similies vary from country to country. We call it this way carrying the same meaning! Many thanks for your comments!